Service hotline
0086-13180019097
”
YVF2 series of three-phase asynchronous motors with variable freguency speed regulation are three-phaseasynchronous motors with frequency converter as power supply. By changing the frequency of the power supply, thespeed of the motor can be adjusted smoothly to achieve the purpose of energy saving and control automation.YVF2 series of electric motors have high efficiency, wide speed range, high precision, stable running, convenientoperation and maintenance, Its instalation dimensions is in accordance to lEC standard, Enclosure protection iP55. ihas enforced coolingfan.continuous duty S1, rated voltae 380v, insulation class F, rated freguency 50Hz. lt runs withconstant toraue in freauency range3Hz-50Hz, 2 poles electricmotors run with constant power in freguency range 50Hz-60Hz, 4 poles and 6 poles electric motors run with constant power in range 50Hz-100Hz except for frame size 355-4poles.which suit for 50Hz-75Hz.
YVF2 senes of motors are suitable for driving steel rolling, ifting, transportation, machine tools, printing anddyeing, paper making.chemical,textile, pharmaceutical and other requirements of continuous and frequent positive andnegative on al kinds of machiner and equipment, can be used conversion power supply at home and abroad.
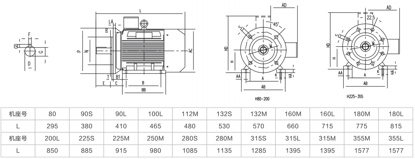
Installation diagram

Note: 1. Except for the data in the table, all other data can be found in the external installation dimensions of YE3 three-phase asynchronous motor.
2. With the advancement of technology and modifications to relevant standards, the technical data and dimensions within the sample are subject to change without prior notice.
Operation characteristics



YE3-280S-4/75KW
YE3 SERIES THREE-PHASE ASYNCHRONOUS MOTOR
YE4 SERIES HIGH-EFFICIENCYT HREE-PHASE ASYNCHRONOUS MOTOR
YE5 SERIES ULTRA HIGH EFFICIENCY THREE-PHASE ASYNCHRONOUS MOTOR
YVF2 SERIES VARIABLE FREQUENCY THREE-PHASE ASYNCHRONOUS MOTORS
YD SERIES VARIABLE STAGE MULTI SPEED THREE-PHASE ASYNCHRONOUS MOTOR